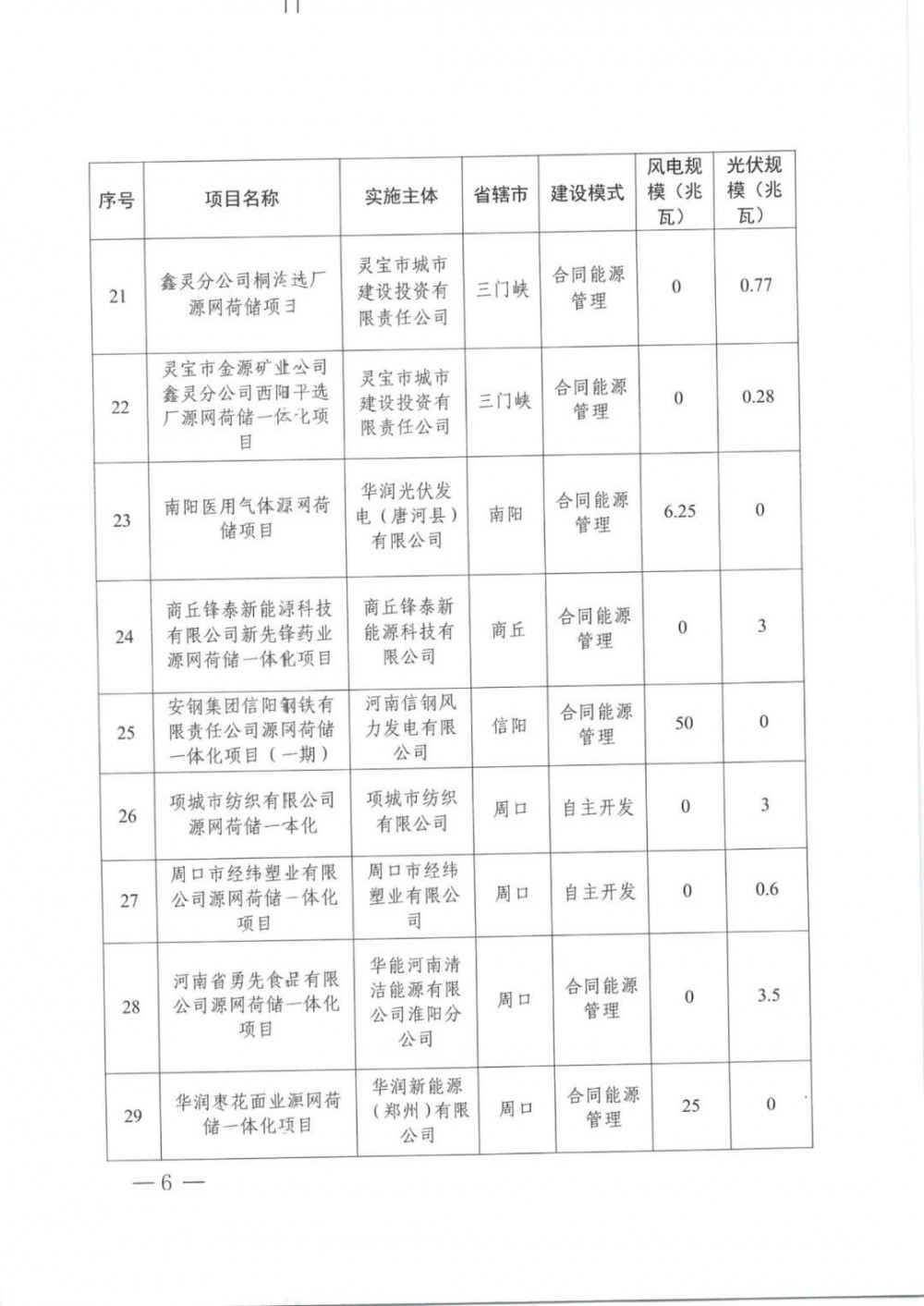
近日,河南省发展和改革委员会印发《关于实施第十三批源网荷储一体化项目的通知》。
通知显示,本次共45个项目纳入实施范围,其中,工业企业类29个、增量配电网类1个、农村地区类5个、项目信息变更及其他类10个。涉及新能源规模350.82MW,其中风电200.95MW,光伏149.87MW。
原文如下:











2024-05-01
2024-05-01
2024-04-30 近日,河南省发展和改革委员会印发《关于实施第十三批源网荷储一体化项目的通知》。
通知显示,本次共45个项目纳入实施范围,其中,工业企业类29个、增量配电网类1个、农村地区类5个、项目信息变更及其他类10个。涉及新能源规模350.82MW,其中风电200.95MW,光伏149.87MW。
原文如下:











资讯来源:
免责声明: 本站内容转载自合作媒体、机构或其他网站的信息,转载此文仅出于传递更多信息的目的,但这并不意味着赞同其观点或证实其内容的真实性。本站所有信息仅供参考,不做交易和服务的根据。本站内容如有侵权或其它问题请及时告之,本网将及时修改或删除。凡以任何方式登录本网站或直接、间接使用本网站资料者,视为自愿接受本网站声明的约束。