2024-05-01
2024-05-01
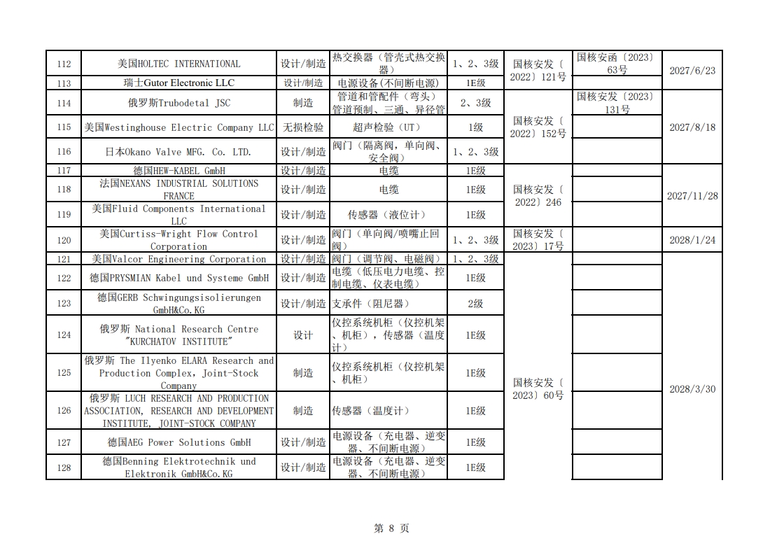
2024-04-30 2024年8月1日,国家核安全局发布民用核安全设备活动境外单位注册登记信息统计表,截至2024年6月30日共有168家登记在册。
详情如下:











资讯来源:国家核安全局
免责声明: 本站内容转载自合作媒体、机构或其他网站的信息,转载此文仅出于传递更多信息的目的,但这并不意味着赞同其观点或证实其内容的真实性。本站所有信息仅供参考,不做交易和服务的根据。本站内容如有侵权或其它问题请及时告之,本网将及时修改或删除。凡以任何方式登录本网站或直接、间接使用本网站资料者,视为自愿接受本网站声明的约束。