2024-05-01
2024-05-01
2024-04-30
民用核安全设备活动境外单位注册登记信息统计表
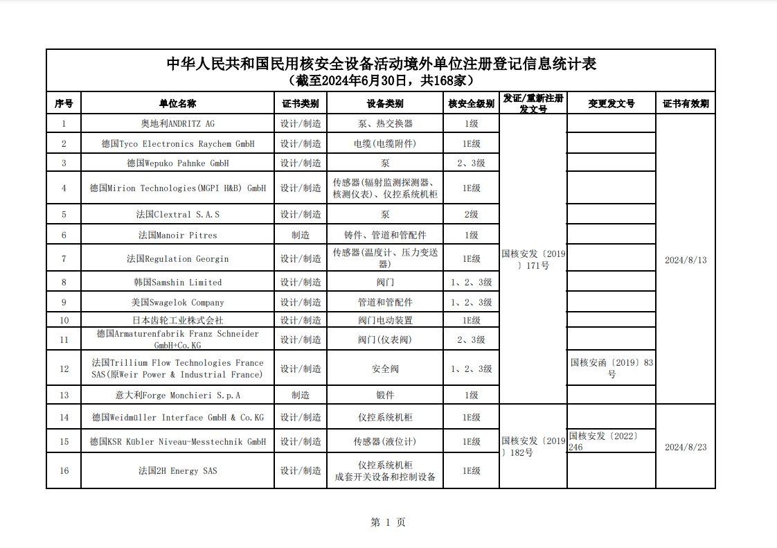
2024年8月1日,国家核安全局发布民用核安全设备活动境外单位注册登记信息统计表,截至2024年6月30日共有168家登记在册。详情如下:
民用核安全设备持证单位信息统计表
2024年8月1日,国家核安全局发布民用核安全设备持证单位信息统计表,截至2024年6月30日共有226家登记在册。详情如下:
中国将建造全球首座钍基熔盐堆核电站
中国有望在明年开建全球首座钍基熔盐堆核电站。近日,中国科学院上海应用物理研究所(下称上海应物所)发布《小型模块化钍基熔盐堆研究设施项目环境影响报告书(选址阶段)
华东监督站开展金七门核电厂1号机组核岛基坑验槽专项检查
生态环境部华东核与辐射安全监督站(以下简称华东监督站)组织开展了金七门核电厂1号机组核岛基坑验槽核安全检查。检查组精密筹备,对照检查清单,逐条核对监测数据,严格